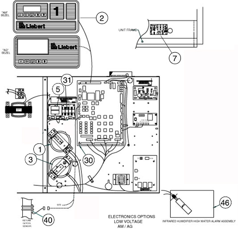
Instructions:
Roll the mouse over the number in the circle for the part number. Click on the circle for more information on that part.
Fuse Glass
Click to view Pic
PWA Iso Xfmr/Fuse
Click to view Pic
Airflow Sensing Switch
Click to view Pic
Filter Clog Switch
Click to view Pic
PWA Universal Control AM
Click to view Pic
Glycol Sensor W/Plug
Click to view Pic
High Water Alarm
Click to view Assembly
Display ASM AM 4X20 UNIV 24/WH
Click to view Pic
PWA SMT TEMP/HUM GEN EAST SNSR
Click to view Pic