Evap Coil Section
Instructions:
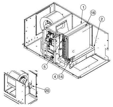
Roll the mouse over the number in the circle for the part number. Click on the circle for more information on that part.
156103P1
Coil Evap 3 Row MM2
156141P1
Coil HWRH 2/3T MM2
156140P1
Coil CW/Freecool 2/3T MM2
Click for Photo
156153G1
Pan Drain Assembly 2/3T MM2
Click for Photo
1A19716P1
FreezeStat w/Bracket
OPN28FCLS42F
Click for Photo
1A18660P1
SW Level Liquid Gems LS-7
Click for Photo
154083P1
Bracket liquid level switch MM2
Click for Photo
168166P1
THSTAT SPST 30/50F 2.5FIXDIFF
Click for Photo