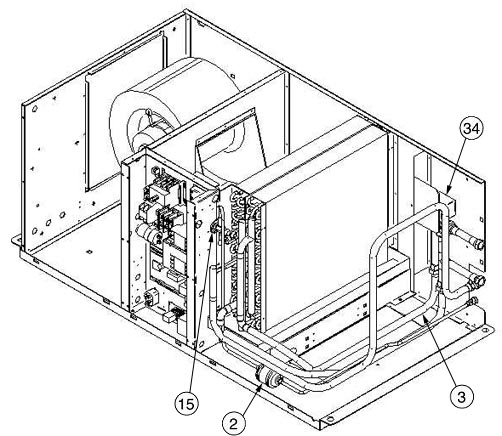
Piping Section
Instructions:
Roll the mouse over the number in the circle for the part number. Click on the circle for more information on that part.
136782P1
FILTER/DRIER 3/8ODF SLDR
Click for Photo
156108P1
VALVE EXP 3/8X5/8ODF1/8CAP
Click for Photo
154246P2
Freecooling Actuator
Click for Photo
PIPG HWRH EVAP 2/3T MM2
Click for Components