Electrical Panel Section
Instructions:
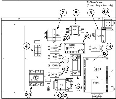
Roll the mouse over the number in the circle for the part number. Click on the circle for more information on that part.
E03-0170
Relay 1P2T 24V 50/60Hz
Click for Photo
1C26260P1
Run Capacitor 4.OMFD 277 Volts
Click for Photo
121187P1
2 Pole PowerBlock
Click for Photo
E-011B
2 Pole Contactor 24V Coil 25/35 Amp
Click for Photo
153080P1
Capacitor 30MF 277 Volts
C03-008A
Run Capacitor 25MF 277 Volts w/Disconnect
E03-0010
Transformer 75VA 277 Volts
Click for Photo
1C18351P2
Disconnect Swicth 660V 3 Pole 60A
Click for Photo
1A17009P1
Circuit Breaker 3.15A Bracket Mount 277 Volt
154244P1
Timer Digital Relay
Click for Photo
415771G1
PWA Control Board
Click for Photo
E02-0160
Thermostat SPDT
Click for Photo
E03-0170
1P2T Relay 24V 50/60HZ
Click for Photo
124502P1
Smoke Detector Control
Click for Photo
1C22351P4
Transformer 40VA 60Hz
W/ Freecooling