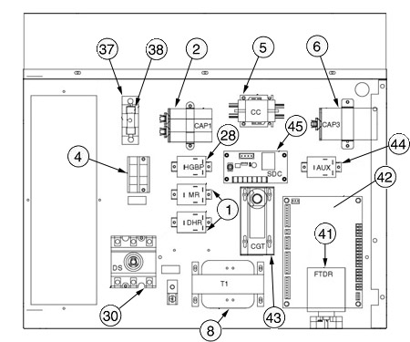
Electrical Panel Section
Instructions:
Roll the mouse over the number in the circle for the part number. Click on the circle for more information on that part.
E03-0170
Relay 1P2T 24V 50/60Hz
Click for Photo
B03-0030
Run Capacitor 10MFD 220/240 Volts
Click for Photo
121187P1
2 Pole PowerBlock
Click for Photo
E-011B
2 Pole Contactor 24V Coil 25/35 Amp
Click for Photo
1A19538P1
Run Capacitor 40MF 220/240 Volts
E17-0250
Capacitor 55MF 220/240 Volts w/Disconnect
136201P1
Transformer 200VA 220/240 Volts
Click for Photo
1C18351P2
Disconnect Swicth 660V 3 Pole 60A
Click for Photo
E-1070
Fuse Block
135409P3
Glass Fuse 6 Amp
154244P1
Timer Digital Relay
Click for Photo
415771G1
PWA Control Board
Click for Photo
E02-0160
Thermostat SPDT
Click for Photo
E03-0170
1P2T Relay 24V 50/60HZ
Click for Photo
124502P1
Smoke Detector Control
Click for Photo